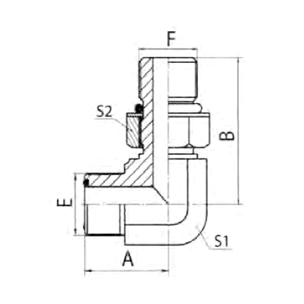
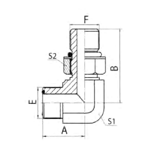
O-Ring Face Seal adapter [ORFS] fittings use a straight thread with a machined groove in the face of the male fitting to accept an O-Ring. Combined with a female fitting, this creates a leak-proof seal. Topol Power manufactures a comprehensive range of precision dapters to accommodate diverse hydraulic configuration requirements.
| PART NO. | THREAD | O-RING | DIMENSIONS | |||||
| E | F | E | F | A | B | S1 | S2 | |
| 1FH9-04-12OG | 9/16″X18 | M12X1.5 | O011 | O09.3X2.4 | 23 | 32 | 14 | 17 |
| 1FH9-06-14OG | 11/16″X16 | M14X1.5 | O012 | O11.3X2.4 | 27 | 35.5 | 19 | 19 |
| 1FH9-06-16OG | 11/16″X16 | M16X1.5 | O012 | O13.3X2.4 | 27 | 38 | 19 | 22 |
| 1FH9-08-16OG | 13/16″X16 | M16X1.5 | O014 | O13.3X2.4 | 31 | 40.5 | 22 | 22 |
| 1FH9-08-18OG | 13/16″X16 | M18X1.5 | O014 | O15.3X2.4 | 31 | 43 | 22 | 24 |
| 1FH9-08-22OG | 13/16″X16 | M22X1.5 | O014 | O19.3X2.4 | 31 | 44.5 | 22 | 27 |
| 1FH9-10-22OG | 1″X14 | M22X1.5 | O016 | O19.3X2.4 | 36.5 | 48 | 27 | 27 |
| 1FH9-12-27OG | 1.3/16″X12 | M27X2 | O018 | O23.5X3.0 | 40.5 | 50 | 30 | 32 |
| 1FH9-12-33OG | 1.3/16″X12 | M33X2 | O018 | O29.5X3.0 | 42.5 | 56 | 33 | 41 |
| 1FH9-16-33OG | 1.7/16″X12 | M33X2 | O021 | O29.5X3.0 | 44.5 | 58.5 | 36 | 41 |


