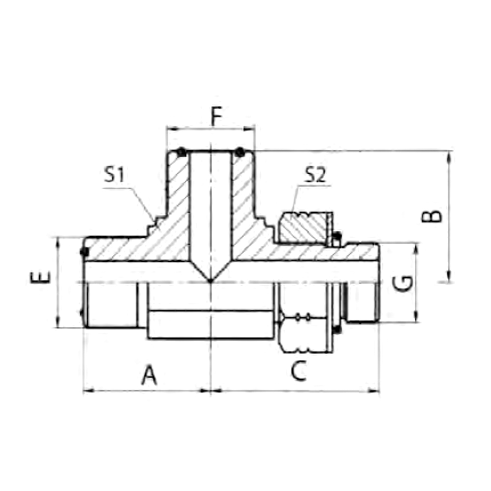
JIC hydraulic adapters feature a 37-degree flare connection system based on the SAE J514 standard. This metal-to-metal seal provides a reliable and leak-free connection suitable for various hydraulic applications. Topol Power manufactures a comprehensive range of precision metric adapters to accommodate diverse hydraulic configuration requirements.
| PART NO. | THREAD | O-RING | DIMENSIONS | ||||||||
| E | F | G | E | F | G | A | B | C | S1 | S2 | |
| AFFO-04OG | 9/16″X18 | 9/16″X18 | 7/16″X20 | 0011 | 0011 | O904 | 23 | 23 | 30 | 14 | 17 |
| AFFO-04-04-06OG | 9/16″X18 | 9/16″X18 | 9/16″X18 | O011 | O011 | O906 | 23 | 23 | 32 | 14 | 19 |
| AFFO-06OG | 11/16″X16 | 11/16″X16 | 9/16″X18 | O012 | O012 | O906 | 27.5 | 27.5 | 35.5 | 19 | 19 |
| AFFO-06-06-08OG | 11/16″X16 | 11/16″X16 | 3/4″X16 | O012 | O012 | O908 | 27.5 | 27.5 | 38 | 19 | 24 |
| AFFO-08-08-06OG | 13/16″X16 | 13/16″X16 | 9/16″X18 | O014 | O014 | O906 | 31 | 31 | 37.5 | 22 | 19 |
| AFFO-08OG | 13/16″X16 | 13/16″X16 | 3/4″X16 | O014 | O014 | O908 | 31 | 31 | 40.5 | 22 | 24 |
| AFFO-08-08-10OG | 13/16″X16 | 13/16″X16 | 7/8″X14 | O014 | O014 | O910 | 31 | 31 | 45.3 | 22 | 27 |
| AFFO-08-08-12OG | 13/16″X16 | 13/16″X16 | 1.1/16″X12 | O014 | O014 | O912 | 34.5 | 34.5 | 52 | 27 | 32 |
| AFFO-10OG | 1″X14 | 1″X14 | 7/8″X14 | O016 | O016 | O910 | 36.5 | 36.5 | 50.8 | 27 | 27 |
| AFFO-10-10-12OG | 1″X14 | 1″X14 | 1.1/16″X12 | O016 | O016 | O912 | 36.5 | 36.5 | 52 | 27 | 32 |
| AFFO-120G | 1.3/16″X12 | 1.3/16″X12 | 1.1/16″X12 | O018 | O018 | O912 | 40.3 | 40.3 | 55.3 | 30 | 32 |
| AFFO-16-16-12OG | 1.7/16″X12 | 1.7/16″X12 | 1.1/16″X12 | 0021 | 0021 | O912 | 44.5 | 44.5 | 58.5 | 36 | 32 |
| AFFO-16OG | 1.7/16″X12 | 1.7/16″X12 | 1.5/16″X12 | 0021 | 0021 | O916 | 44.5 | 44.5 | 59.3 | 36 | 41 |
| AFFO-20OG | 1.11/16″X12 | 1.11/16″X12 | 1.5/8″X12 | O025 | O025 | O920 | 47.5 | 47.5 | 60.5 | 41 | 50 |


