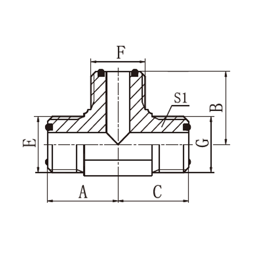
O-Ring Face Seal adapter [ORFS] fittings use a straight thread with a machined groove in the face of the male fitting to accept an O-Ring. Combined with a female fitting, this creates a leak-proof seal. Topol Power manufactures a comprehensive range of precision dapters to accommodate diverse hydraulic configuration requirements.
| PART NO. | THREAD | O-RING | DIMENSIONS | |||||||
| E | F | G | E | F | G | A | B | C | S1 | |
| AF-04 | 9/16″X18 | 9/16″X18 | 9/16″X18 | O011 | O011 | O011 | 23 | 23 | 23 | 14 |
| AF-06 | 11/16″X16 | 11/16″X16 | 11/16″X16 | O012 | O012 | O012 | 27 | 27 | 27 | 19 |
| AF-08 | 13/16″X16 | 13/16″X16 | 13/16″X16 | O014 | O014 | O014 | 31 | 31 | 31 | 22 |
| AF-10 | 1″X14 | 1″X14 | 1″X14 | O016 | O016 | O016 | 36.5 | 36.5 | 36.5 | 27 |
| AF-12 | 1.3/16″X12 | 1.3/16″X12 | 1.3/16″X12 | O018 | O018 | O018 | 40.3 | 40.3 | 40.3 | 30 |
| AF-16 | 1.7/16″X12 | 1.7/16″X12 | 1.7/16″X12 | O021 | O021 | O021 | 44.5 | 44.5 | 44.5 | 36 |
| AF-20 | 1.11/16″X12 | 1.11/16″X12 | 1.11/16″X12 | O025 | O025 | O025 | 47.5 | 47.5 | 47.5 | 41 |
| AF-24 | 2″X12 | 2″X12 | 2″X12 | O029 | O029 | O029 | 53.5 | 53.5 | 53.5 | 50 |


