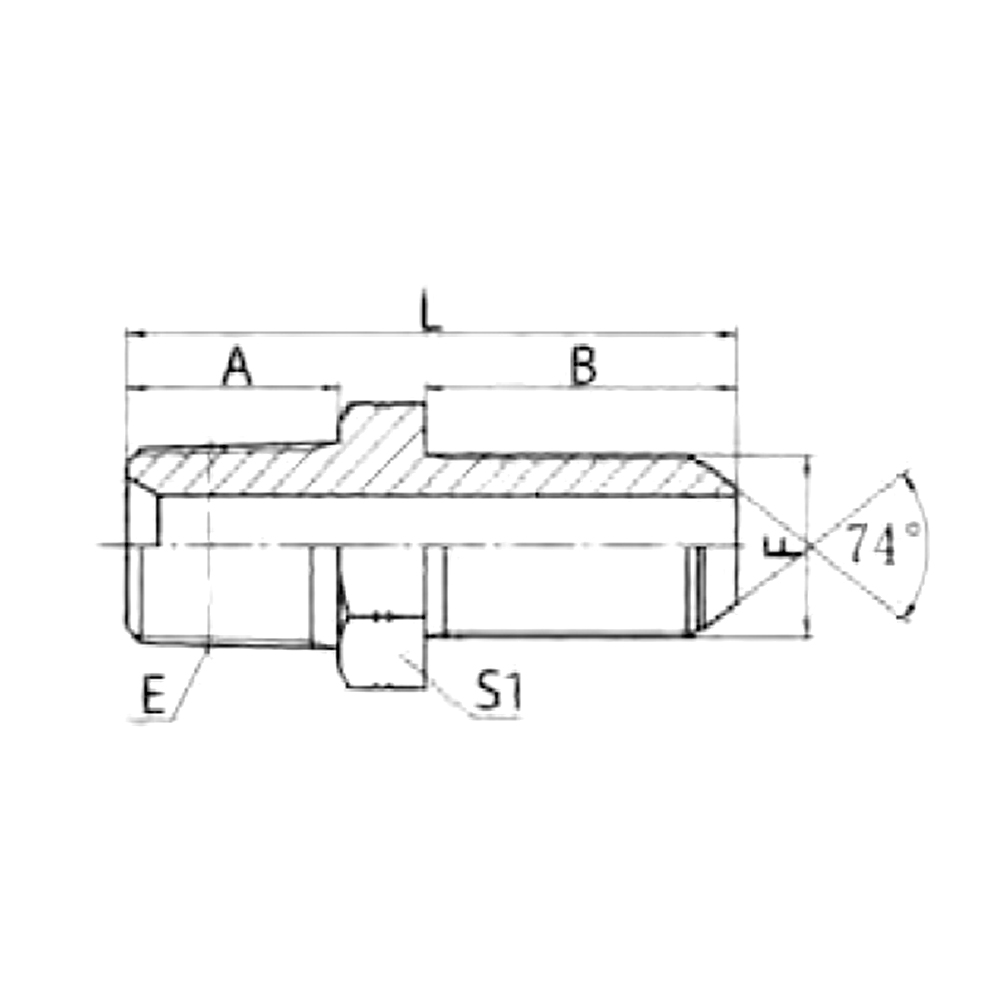
JIC hydraulic adapters feature a 37-degree flare connection system based on the SAE J514 standard. This metal-to-metal seal provides a reliable and leak-free connection suitable for various hydraulic applications. Topol Power manufactures a comprehensive range of precision metric adapters to accommodate diverse hydraulic configuration requirements.
| PART NO. | THREAD | DIMENSIONS | |||||
| E | F | A | B | L | S1 | S2 | |
| 6NJ-02-04 | Z1/8″X27 | 7/16″X20 | 10.5 | 32.5 | 49 | 17 | 17 |
| 6NJ-04 | Z1/4″X18 | 7/16″X20 | 15 | 32.5 | 53.5 | 17 | 17 |
| 6NJ-04-06 | Z1/4″X18 | 9/16″X18 | 15 | 32.5 | 55.5 | 22 | 22 |
| 6NJ-06 | Z3/8″X18 | 9/16″X18 | 16 | 32.5 | 56.5 | 22 | 22 |
| 6NJ-08 | Z1/2″X14 | 3/4″X16 | 19.5 | 36.5 | 64 | 24 | 24 |
| 6NJ-08-10 | Z1/2″X14 | 7/8″X14 | 19.5 | 40 | 69.5 | 30 | 30 |
| 6NJ-12 | Z3/4″X14 | 1.1/16″X12 | 19.5 | 44.5 | 75 | 36 | 36 |
| 6NJ-16 | Z1″X11.5 | 1.5/16″X12 | 25.5 | 44.5 | 83 | 41 | 41 |
| 6NJ-20 | Z1.1/4″X11.5 | 1.5/8″X12 | 26.5 | 45.7 | 87 | 50 | 50 |
| 6NJ-24 | Z1.1/2″X11.5 | 1.7/8″X12 | 27.5 | 46 | 88.5 | 55 | 55 |


