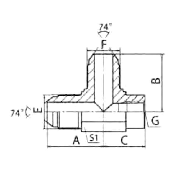
JIC hydraulic adapters feature a 37-degree flare connection system based on the SAE J514 standard. This metal-to-metal seal provides a reliable and leak-free connection suitable for various hydraulic applications. Topol Power manufactures a comprehensive range of precision metric adapters to accommodate diverse hydraulic configuration requirements.
| PART NO. | THREAD | DIMENSIONS | |||||
| E | F | G | A | B | C | S1 | |
| LJJN-04 | 7/16″X20 | 7/16″X20 | Z1/4″X18 | 30.9 | 30.9 | 25.1 | 19 |
| LJJN-04-04-02 | 7/16″X20 | 7/16″X20 | Z1/8″X27 | 27.5 | 27.5 | 16.8 | 16 |
| LJJN-06 | 9/16″X18 | 9/16″X18 | Z3/8″X18 | 33.5 | 33.5 | 26.8 | 24 |
| LJJN-06-06-04 | 9/16″X18 | 9/16″X18 | Z1/4″X18 | 30 | 30 | 22.5 | 19 |
| LJJN-08 | 3/4″X16 | 3/4″X16 | Z1/2″X14 | 39.5 | 39.5 | 33 | 30 |
| LJJN-08-08-06 | 3/4″X16 | 3/4″X16 | Z3/8″X18 | 36 | 36 | 25.9 | 24 |
| LJJN-10-10-08 | 7/8″X14 | 7/8″X14 | Z1/2″x14 | 42.5 | 42.5 | 31.2 | 30 |
| LJJN-12 | 1.1/16″X12 | 1.1/16″X12 | Z3/4″X14 | 48 | 48 | 39 | 33 |
| LJJN-16 | 1.5/16″X12 | 1.5/16″X12 | Z1″X11.5 | 55.1 | 55.1 | 43.9 | 41 |
| LJJN-20 | 1.5/8″X12 | 1.5/8″X12 | Z1.1/4″X11.5 | 59.2 | 59.2 | 43.3 | 48 |


