O-Ring Face Seal adapter [ORFS] fittings use a straight thread with a machined groove in the face of the male fitting to accept an O-Ring. Combined with a female fitting, this creates a leak-proof seal. Topol Power manufactures a comprehensive range of precision dapters to accommodate diverse hydraulic configuration requirements.
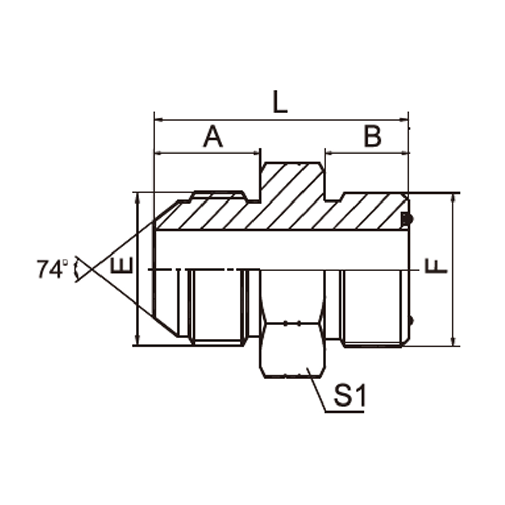
| PART NO. | THREAD | O-RING | DIMENSIONS | ||||
| E | F | F | A | B | L | S1 | |
| 1JF-04 | 7/16″X20 | 9/16″X18 | 7.65X1.78 | 14 | 10 | 29.5 | 17 |
| 1JF-05-06 | 1/2″X20 | 11/16″X16 | 9.25X1.78 | 14 | 11.2 | 31.5 | 19 |
| 1JF-06 | 9/16″X18 | 11/16″X16 | 9.25X1.78 | 14.1 | 11.2 | 31 | 19 |
| 1JF-08 | 3/4″X16 | 13/16″X16 | 12.42X1.78 | 16.7 | 13 | 37.5 | 22 |
| 1JF-10 | 7/8″X14 | 1″X14 | 15.6X1.78 | 19.3 | 15.5 | 44.5 | 27 |
| 1JF-12 | 1.1/16″X12 | 1.3/16″X12 | 18.77X1.78 | 21.9 | 17 | 50 | 32 |
| 1JF-16 | 1.5/16″X12 | 1.7/16″X12 | 23.52X1.78 | 23.1 | 17.5 | 51.5 | 38 |
| 1JF-20 | 1.5/8″X12 | 1.11/16″X12 | 29.87X1.78 | 24.3 | 17.5 | 54.5 | 46 |
| 1JF-24 | 1.7/8″X12 | 2″X12 | 37.82X1.78 | 27.5 | 17.5 | 60 | 55 |


