The Flange adapters are designed for a pressure rating up to 3,000 psi and high-pressure scenarios with a rating of up to 6,000 psi. Topol Power manufactures a comprehensive range of precision metric adapters to accommodate diverse hydraulic configuration requirements.
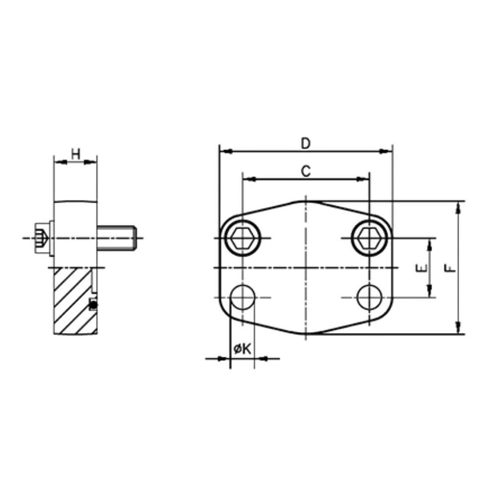
| PART NO. | SIZE | DIMENSION | BOLT | O-Ring | W.T. | MAX.W.P | |||||
| (inch) | C | D | E | F | H | K | (Kg) | (kg/cm²) | |||
| 3000 psi | |||||||||||
| AFC301 | 1/2″ | 38.1 | 54 | 17.48 | 46 | 16 | 9 | M8x30 | 18.66×3.53 | 0.24 | 350 |
| AFC302 | 3/4″ | 47.63 | 65 | 22.23 | 50 | 16 | 11 | M10x35 | 25.00×3.53 | 0.3 | 350 |
| AFC303 | 1″ | 52.37 | 70 | 26.19 | 60 | 19 | 11 | M10x35 | 32.92×3.53 | 0.45 | 315 |
| AFC304 | 11/4″ | 58.72 | 79 | 30.18 | 68 | 18 | 11.5 | M10x40 | 37.70×3.53 | 0.6 | 250 |
| AFC305 | 11/2″ | 69.85 | 93 | 35.71 | 78 | 20 | 13.5 | M12x45 | 47.22×3.53 | 0.83 | 200 |
| AFC306 | 2″ | 77.77 | 102 | 42.88 | 90 | 20 | 13.5 | M12x45 | 56.75×3.53 | 1.16 | 200 |
| AFC307 | 21/2″ | 88.9 | 114 | 50.8 | 105 | 20 | 13.5 | M12X45 | 69.45X3.53 | 1.4 | 160 |
| AFC308 | 3″ | 106.38 | 134 | 61.93 | 124 | 24 | 17.5 | M16x50 | 85.32×3.53 | 2.35 | 138 |
| AFC309 | 31/2″ | 120.65 | 152 | 69.85 | 136 | 22 | 17.5 | M16x50 | 98.02×3.53 | 3.2 | 35 |
| AFC310 | 4″ | 130.18 | 162 | 77.77 | 146 | 25 | 17.5 | M16x50 | 110.72×3.53 | 3.8 | 35 |
| AFC311 | 5″ | 152.4 | 190 | 92.08 | 170 | 28 | 17.5 | M16x55 | 136.12×3.53 | 4.2 | 35 |
| 6000 psi | |||||||||||
| AFC601 | 1/2″ | 40.49 | 56 | 18.24 | 48 | 16 | 9 | M8x30 | 18.66×3.53 | 0.25 | 400 |
| AFC602 | 3/4″ | 50.8 | 71 | 23.8 | 60 | 19 | 11 | M10x35 | 25.00×3.53 | 0.48 | 400 |
| AFC603 | 1″ | 57.15 | 81 | 27.76 | 70 | 24 | 13 | M12x45 | 32.92×3.53 | 0.77 | 400 |
| AFC604 | 11/4″ | 66.68 | 95 | 31.75 | 78 | 27 | 15 | M14x50 | 37.70×3.53 | 1.13 | 400 |
| AFC605 | 11/2″ | 79.38 | 112 | 36.5 | 94 | 30 | 17 | M16x50 | 47.22×3.53 | 1.8 | 400 |
| AFC606* | 2″ | 96.82 | 134 | 44.45 | 114 | 28 | 21 | M20x65 | 56.75×3.53 | 2.4 | 400 |
| AFC607 | 21/2″ | 123.83 | 180 | 58.73 | 152 | 45 | 26 | M24x80 | 75.57×5.33 | 5.3 | 400 |
| AFC608 | 3″ | 152.4 | 208 | 71.43 | 178 | 55 | 32 | M30x100 | 88.27×5.33 | 9 | 400 |


