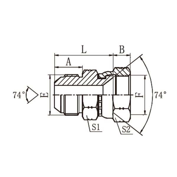
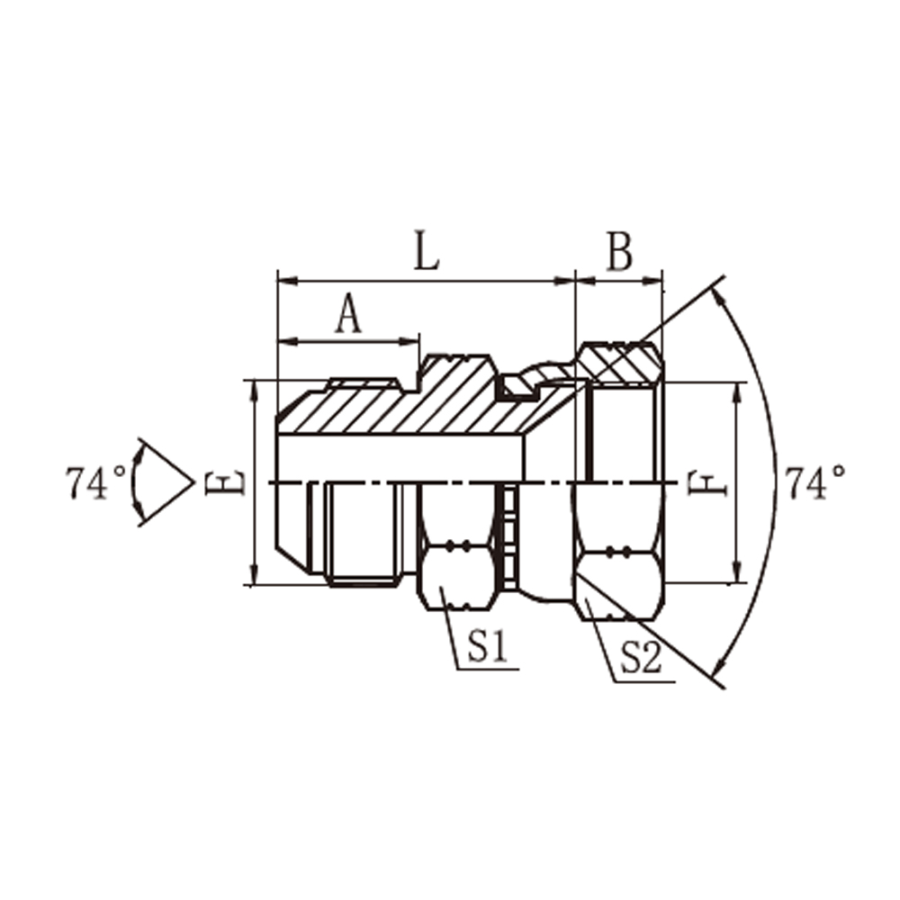
JIC hydraulic adapters feature a 37-degree flare connection system based on the SAE J514 standard. This metal-to-metal seal provides a reliable and leak-free connection suitable for various hydraulic applications. Topol Power manufactures a comprehensive range of precision metric adapters to accommodate diverse hydraulic configuration requirements.
| PART NO. | THREAD | DIMENSIONS | |||||
| E | F | A | B | L | S1 | S2 | |
| 2J-04 | 7/16″X20 | 7/16″X20 | 14 | 9.5 | 28 | 12 | 17 |
| 2J-04-05 | 7/16″X20 | 1/2″X20 | 14 | 9 | 28.5 | 12 | 19 |
| 2J-04-06 | 7/16″X20 | 9/16″X18 | 14 | 9.5 | 28.5 | 14 | 19 |
| 2J-04-08 | 7/16″X20 | 3/4″X16 | 14 | 10.8 | 30.5 | 19 | 24 |
| 2J-05 | 1/2″X20 | 1/2″X20 | 14 | 9 | 29 | 14 | 19 |
| 2J-05-06 | 1/2″X20 | 9/16″X18 | 14 | 9.5 | 29.5 | 14 | 19 |
| 2J-05-08 | 1/2″X20 | 3/4″X16 | 14 | 10.8 | 30.5 | 19 | 24 |
| 2J-06 | 9/16″X18 | 9/16″X18 | 14.1 | 9.5 | 29 | 17 | 19 |
| 2J-06-08 | 9/6″X18 | 3/4″X16 | 14.1 | 10.8 | 31 | 19 | 24 |
| 2J-06-10 | 9/16″X18 | 7/8″X14 | 14.1 | 12 | 33.5 | 22 | 27 |
| 2J-08 | 3/4″X16 | 3/4″X16 | 16.7 | 10.8 | 36 | 22 | 24 |
| 2J-08-06 | 3/4″X16 | 9/16″X18 | 16.7 | 9.5 | 34 | 22 | 19 |
| 2J-08-10 | 3/4″X16 | 7/8″X14 | 16.7 | 12 | 36.5 | 22 | 27 |
| 2J-08-12 | 3/4″X16 | 1.1/16″X12 | 16.7 | 13 | 39.5 | 27 | 32 |
| 2J-10 | 7/8″X14 | 7/8″X14 | 19.3 | 12 | 39 | 24 | 27 |
| 2J-10-08 | 7/8″X14 | 3/4″X16 | 19.3 | 10.8 | 38 | 24 | 24 |
| 2J-10-12 | 7/8″X14 | 1.1/16″X12 | 19.3 | 13 | 42 | 27 | 32 |
| 2J-12 | 1.1/16″X12 | 1.1/16″X12 | 21.9 | 13 | 44.5 | 30 | 32 |
| 2J-12-10 | 1.1/16″X12 | 7/8″X14 | 21.9 | 12 | 43.5 | 30 | 27 |
| 2J-12-16 | 1.1/16″X12 | 1.5/16″X12 | 21.9 | 14 | 45.5 | 36 | 41 |
| 2J-16 | 1.5/16″X12 | 1.5/16″X12 | 23.1 | 14 | 46.5 | 36 | 41 |
| 2J-16-20 | 1.5/16″X12 | 1.5/8″X12 | 23.1 | 15 | 50 | 41 | 50 |
| 2J-20 | 1.5/8″X12 | 1.5/8″X12 | 24.3 | 15 | 52 | 46 | 50 |
| 2J-20-24 | 1.5/8″X12 | 1.7/8″X12 | 24.3 | 19 | 52 | 46 | 55 |
| 2J-24 | 1.7/8″X12 | 1.7/8″X12 | 27.5 | 19 | 57 | 50 | 55 |
| 2J-24-32 | 1.7/8″X12 | 2.1/2″X12 | 27.5 | 23.5 | 59.6 | 65 | 75 |
| 2J-32 | 2.1/2″X12 | 2.1/2″X12 | 33.9 | 23.5 | 66 | 65 | 75 |


