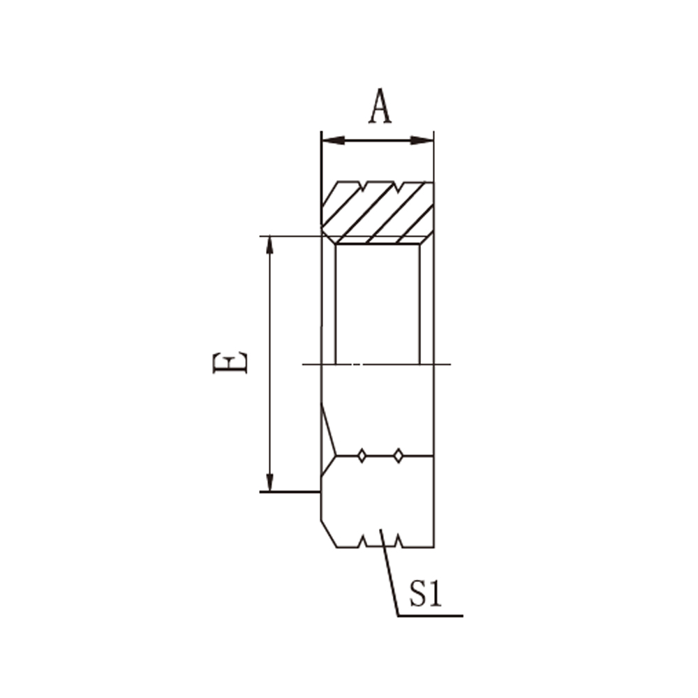
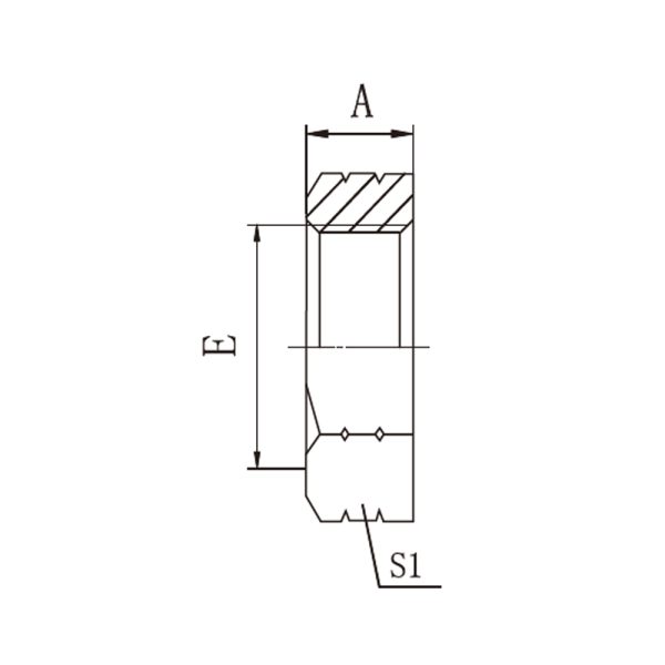
O-Ring Face Seal adapter [ORFS] fittings use a straight thread with a machined groove in the face of the male fitting to accept an O-Ring. Combined with a female fitting, this creates a leak-proof seal. Topol Power manufactures a comprehensive range of precision dapters to accommodate diverse hydraulic configuration requirements.
| PART NO. | THREAD | DIMENSIONS | |
| E | A | S1 | |
| 8F-04 | 9/16″X18 | 7 | 22 |
| 8F-06 | 11/16″X16 | 8 | 27 |
| 8F-08 | 13/16″X16 | 9 | 30 |
| 8F-10 | 1″X14 | 10.5 | 36 |
| 8F-12 | 1.3/16″X12 | 10.5 | 38 |
| 8F-16 | 1.7/16″X12 | 10.5 | 46 |
| 8F-20 | 1.11/16″X12 | 10.5 | 50 |
| 8F-24 | 2″X12 | 10.5 | 60 |


