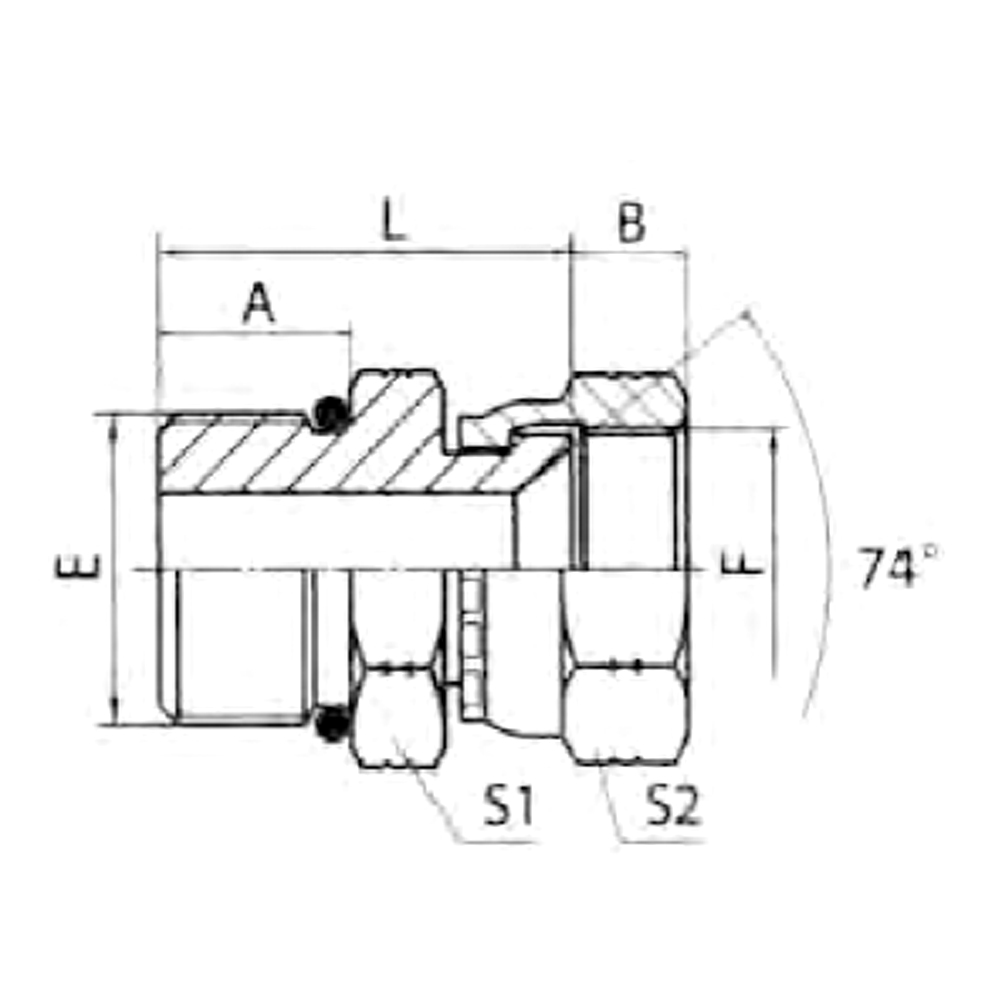
O-ring Boss [ORB] thread adapters use a straight thread and an o-ring to create a seal between female and male fittings. O-ring Boss fittings are an excellent choice for medium to high pressure applications. Topol Power manufactures a comprehensive range of precision adapters to accommodate diverse hydraulic configuration requirements.
| PART NO. | THREAD | O-RING | DIMENSIONS | |||||
| E | F | E | A | B | L | S1 | S2 | |
| 2OJ-04 | 7/16″X20 | 7/16″X20 | O904 | 9.1 | 9.5 | 23 | 14 | 17 |
| 2OJ-05 | 1/2″X20 | 1/2″X20 | O905 | 9.1 | 9 | 23.5 | 17 | 19 |
| 2OJ-06 | 9/16″X18 | 9/16″X18 | O906 | 9.93 | 9.5 | 25.5 | 17 | 19 |
| 2OJ-08 | 3/4″X16 | 3/4″X16 | O908 | 11.1 | 10.8 | 29.5 | 22 | 24 |
| 2OJ-10 | 7/8″X14 | 7/8″X14 | O910 | 12.7 | 12 | 34 | 27 | 27 |
| 2OJ-12 | 1.1/16″X12 | 1.1/16″X12 | O912 | 15.1 | 13 | 38.5 | 32 | 32 |
| 2OJ-14 | 1.3/16″X12 | 1.3/16″X12 | O914 | 15.1 | 15 | 38.5 | 36 | 36 |
| 2OJ-16 | 1.5/16″X12 | 1.5/16″X12 | O916 | 15.1 | 14 | 38.5 | 38 | 41 |
| 2OJ-20 | 1.5/8″X12 | 1.5/8″X12 | O920 | 15.1 | 15 | 44 | 50 | 50 |


