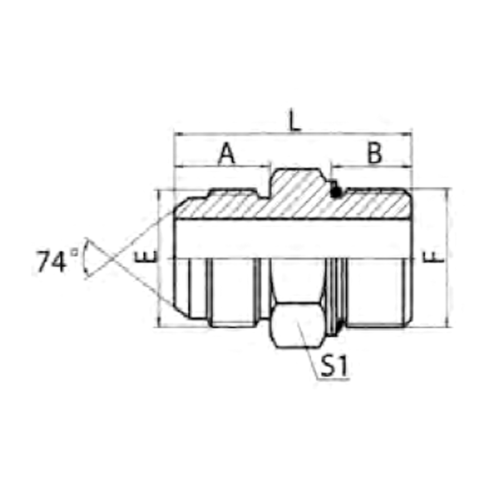
JIC hydraulic adapters feature a 37-degree flare connection system based on the SAE J514 standard. This metal-to-metal seal provides a reliable and leak-free connection suitable for various hydraulic applications. Topol Power manufactures a comprehensive range of precision metric adapters to accommodate diverse hydraulic configuration requirements.
| PART NO. | THREAD | O-RING | DIMENSIONS | ||||
| E | F | A | B | L | S1 | ||
| 1JH-04-10 | 7/16″X20 | M10X1 | O08.1X1.6 | 14 | 8.5 | 28.5 | 14 |
| 1JH-04-12 | 7/16″X20 | M12X1.5 | O09.3X2.4 | 14 | 11 | 31 | 17 |
| 1JH-04-14 | 7/16″X20 | M14X1.5 | O11.3X2.4 | 14 | 11 | 31 | 19 |
| 1JH-05-10 | 1/2″X20 | M10X1 | O08.1X1.6 | 14 | 8.5 | 29 | 14 |
| 1JH-05-12 | 1/2″X20 | M12X1.5 | O09.3X2.4 | 14 | 11 | 31 | 17 |
| 1JH-05-14 | 1/2″X20 | M14X1.5 | O11.3X2.4 | 14 | 11 | 33 | 19 |
| 1JH-06-14 | 9/16″X18 | M14X1.5 | O11.3X2.4 | 14.1 | 11 | 31 | 19 |
| 1JH-06-16 | 9/16″X18 | M16X1.5 | O13.3X2.4 | 14.1 | 11.5 | 33.5 | 22 |
| 1JH-06-18 | 9/16″X18 | M18X1.5 | O15.3X2.4 | 14.1 | 12.5 | 34.5 | 24 |
| 1JH-08-14 | 3/4″X16 | M14X1.5 | O11.3X2.4 | 16.7 | 11 | 38 | 22 |
| 1JH-08-16 | 3/4″X16 | M16X1.5 | O13.3X2.4 | 16.7 | 11.5 | 36 | 22 |
| 1JH-08-18 | 3/4″X16 | M18X1.5 | O15.3X2.4 | 16.7 | 12.5 | 37 | 24 |
| 1JH-08-22 | 3/4″X16 | M22X1.5 | O19.3X2.4 | 16.7 | 13 | 39.5 | 27 |
| 1JH-10-16 | 7/8″X14 | M16X1.5 | O13.3X2.4 | 19.3 | 11.5 | 41 | 24 |
| 1JH-10-18 | 7/8″X14 | M18X1.5 | O15.3X2.4 | 19.3 | 12.5 | 40 | 24 |
| 1JH-10-22 | 7/8″X14 | M22X1.5 | O19.3X2.4 | 19.3 | 13 | 42 | 27 |
| 1JH-12-22 | 1.1/16″X12 | M22X1.5 | O19.3X2.4 | 21.9 | 13 | 47.5 | 30 |
| 1JH-12-27 | 1.1/16″X12 | M27X2 | O23.5X3.0 | 21.9 | 16 | 51.5 | 32 |
| 1JH-16-27 | 1.5/16″X12 | M27X2 | O23.5X3.0 | 23.1 | 16 | 52.5 | 36 |
| 1JH-16-33 | 1.5/16″X12 | M33X2 | O29.5X3.0 | 23.1 | 16 | 52 | 41 |
| 1JH-20-42 | 1.5/8″X12 | M42X2 | O38.5X3.0 | 24.3 | 16 | 58 | 50 |
| 1JH-24-48 | 1.7/8″X12 | M48X2 | O44.5X3.0 | 27.5 | 17.5 | 63 | 55 |


