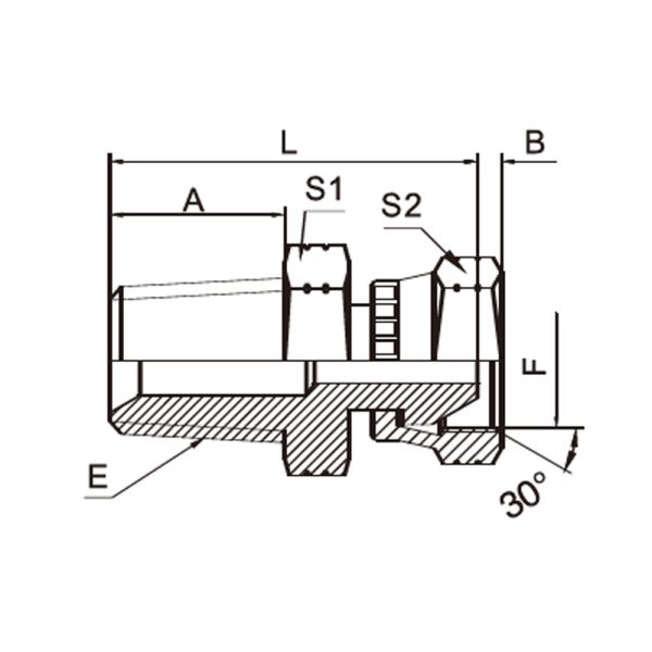
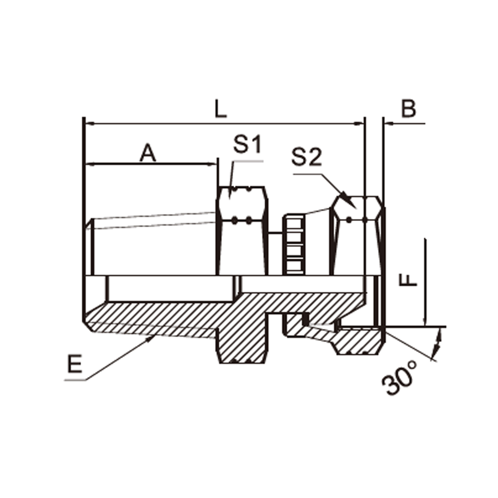
NPSM (National Pipe Straight Mechanical) female threads are compatible with male NPT and NPTF threads. This metal-to-metal seal provides a reliable and leak-free connection suitable for various hydraulic applications. Topol Power manufactures a comprehensive range of precision metric adapters to accommodate diverse hydraulic configuration requirements.
| PART NO. | THREAD | DIMENSIONS | |||||
| E | F | A | B | L | S1 | S2 | |
| 2NU-02 | Z1/8″X27 | 1/8″X27 | 10.5 | 6 | 25.5 | 12 | 15 |
| 2NU-02-04 | Z1/8″X27 | 1/4″X18 | 10.5 | 5 | 27.5 | 12 | 19 |
| 2NU-04-02 | Z1/4″X18 | 1/8″X27 | 15 | 6 | 30 | 14 | 15 |
| 2NU-04 | Z1/4″X18 | 1/4″X18 | 15 | 5 | 32 | 17 | 19 |
| 2NU-04-06 | Z1/4″X18 | 3/8″X18 | 15 | 6.5 | 33 | 17 | 22 |
| 2NU-04-08 | Z1/4″X18 | 1/2″X14 | 15 | 7.8 | 35 | 19 | 27 |
| 2NU-06 | Z3/8″X18 | 3/8″X18 | 16 | 6.5 | 34.5 | 19 | 22 |
| 2NU-06-04 | Z3/8″X18 | 1/4″X18 | 16 | 5 | 33 | 19 | 19 |
| 2NU-06-08 | Z3/8″X18 | 1/2″X14 | 16 | 7.8 | 36 | 19 | 27 |
| 2NU-08 | Z1/2″X14 | 1/2″X14 | 19.5 | 7.8 | 41.5 | 22 | 27 |
| 2NU-08-04 | Z1/2″X14 | 1/4″X18 | 19.5 | 5 | 38.5 | 22 | 19 |
| 2NU-08-06 | Z1/2″X14 | 3/8″X18 | 19.5 | 6.5 | 39.5 | 22 | 22 |
| 2NU-12 | Z3/4″X14 | 3/4″X14 | 19.5 | 10.5 | 44.5 | 30 | 32 |
| 2NU-12-06 | Z3/4″X14 | 3/8″X18 | 19.5 | 6.5 | 41.5 | 30 | 22 |
| 2NU-12-08 | Z3/4″X14 | 1/2″X14 | 19.5 | 7.8 | 43.5 | 30 | 27 |
| 2NU-12-16 | Z3/4″X14 | 1″X11.5 | 19.5 | 11 | 46.5 | 32 | 41 |
| 2NU-16-12 | Z1″X11.5 | 3/4″X14 | 25.5 | 10.5 | 51.5 | 36 | 32 |
| 2NU-16 | Z1″X11.5 | 1″X11.5 | 25.5 | 11 | 52.5 | 36 | 41 |
| 2NU-16-20 | Z1″X11.5 | 1.1/4″X11.5 | 25.5 | 11.5 | 58.5 | 41 | 50 |
| 2NU-20-16 | Z1.1/4″X11.5 | 1″X11.5 | 26.5 | 11 | 57.5 | 46 | 41 |
| 2NU-20 | Z1.1/4″X11.5 | 1.1/4″X11.5 | 26.5 | 11.5 | 59.5 | 46 | 50 |
| 2NU-20-24 | Z1.1/4″X11.5 | 1.1/2″X11.5 | 26.5 | 12.5 | 59.5 | 46 | 55 |
| 2NU-24-20 | Z1.1/2″X11.5 | 1.1/4″X11.5 | 27.5 | 11.5 | 62.5 | 50 | 50 |
| 2NU-24 | Z1.1/2″X11.5 | 1.1/2″X11.5 | 27.5 | 12.5 | 62.5 | 50 | 55 |


