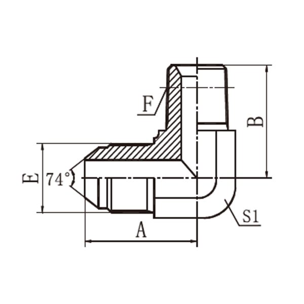
JIC hydraulic adapters feature a 37-degree flare connection system based on the SAE J514 standard. This metal-to-metal seal provides a reliable and leak-free connection suitable for various hydraulic applications. Topol Power manufactures a comprehensive range of precision metric adapters to accommodate diverse hydraulic configuration requirements.
| PART NO. | THREAD | DIMENSIONS | |||
| E | F | A | B | S1 | |
| 1JN9-02 | 5/16″X24 | Z1/8″X27 | 21 | 21 | 11 |
| 1JN9-03-02 | 3/8″X24 | Z1/8″X27 | 22 | 21 | 11 |
| 1JN9-04 | 7/16″X20 | Z1/4″X18 | 26.6 | 25.5 | 14 |
| 1JN9-04-02 | 7/16″X20 | Z1/8″X27 | 24.5 | 21 | 11 |
| 1JN9-04-06 | 7/16″X20 | Z3/8″X18 | 29.5 | 31 | 19 |
| 1JN9-05-02 | 1/2″X20 | Z1/8″X27 | 26.6 | 23.5 | 14 |
| 1JN9-05-04 | 1/2″X20 | Z1/4″X18 | 26.6 | 25.5 | 14 |
| 1JN9-05-06 | 1/2″X20 | Z3/8″X18 | 29.5 | 31 | 19 |
| 1JN9-06 | 9/16″X18 | Z3/8″X18 | 29 | 31 | 19 |
| 1JN9-06-04 | 9/16″X18 | Z1/4″X18 | 26.9 | 25.5 | 14 |
| 1JN9-06-08 | 9/16″X18 | Z1/2″X14 | 32 | 36.7 | 22 |
| 1JN9-08 | 3/4″X16 | Z1/2″X14 | 34.8 | 37.3 | 22 |
| 1JN9-08-04 | 3/4″X16 | Z1/4″X18 | 32 | 28.5 | 19 |
| 1JN9-08-06 | 3/4″X16 | Z3/8″X18 | 32 | 31 | 19 |
| 1JN9-08-12 | 3/4″X16 | Z3/4″X14 | 37.9 | 44 | 27 |
| 1JN9-10-06 | 7/8″X14 | Z3/8″X18 | 37.8 | 32.5 | 22 |
| 1JN9-10-08 | 7/8″X14 | Z1/2″X14 | 37.8 | 37.3 | 22 |
| 1JN9-10-12 | 7/8″X14 | Z3/4″X14 | 41 | 44 | 27 |
| 1JN9-10-16 | 7/8″X14 | Z1″X11.5 | 44.5 | 50 | 33 |
| 1JN9-12 | 1.1/16″X12 | Z3/4″X14 | 44.2 | 44 | 27 |
| 1JN9-12-08 | 1.1/16″X12 | Z1/2″X14 | 44.2 | 40 | 27 |
| 1JN9-12-16 | 1.1/16″X12 | Z1″X11.5 | 49 | 50 | 33 |
| 1JN9-12-20 | 1.1/16″X12 | Z1.1/4″X11.5 | 52.5 | 54.5 | 41 |
| 1JN9-14-12 | 1.3/16″X12 | Z3/4″X14 | 47.5 | 45 | 30 |
| 1JN9-14-16 | 1.3/16″X12 | Z1″X11.5 | 48.5 | 50 | 33 |
| 1JN9-16 | 1.5/16″X12 | Z1″X11.5 | 49 | 50 | 33 |
| 1JN9-16-12 | 1.5/16″X12 | Z3/4″X14 | 49 | 45.2 | 33 |
| 1JN9-16-20 | 1.5/16″X12 | Z1.1/4″X11.5 | 54 | 60.5 | 41 |
| 1JN9-16-24 | 1.5/16″X12 | Z1.1/2″X11.5 | 58 | 63 | 48 |
| 1JN9-20 | 1.5/8″X12 | Z1.1/4″X11.5 | 55.5 | 54.5 | 41 |
| 1JN9-20-16 | 1.5/8″X12 | Z1″X11.5 | 55.5 | 54.5 | 41 |
| 1JN9-20-24 | 1.5/8″X12 | Z1.1/2″X11.5 | 59.4 | 63 | 48 |
| 1JN9-24 | 1.7/8″X12 | Z1.1/2″X11.5 | 62.5 | 63 | 48 |
| 1JN9-24-20 | 1.7/8″X12 | Z1.1/4″X11.5 | 62.5 | 63 | 48 |
| 1JN9-32-24 | 2.1/2″X12 | Z1.1/2″X11.5 | 75.4 | 67.5 | 63 |


