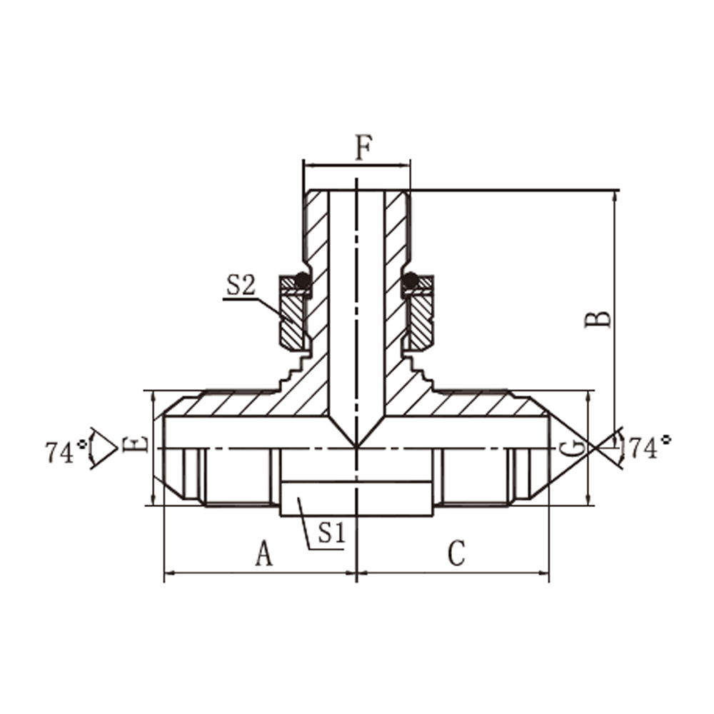
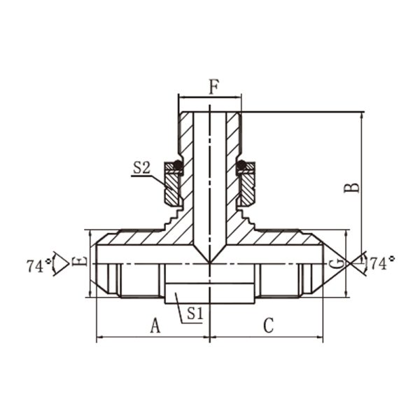
JIC hydraulic adapters feature a 37-degree flare connection system based on the SAE J514 standard. This metal-to-metal seal provides a reliable and leak-free connection suitable for various hydraulic applications. Topol Power manufactures a comprehensive range of precision metric adapters to accommodate diverse hydraulic configuration requirements.
| PART NO. | THREAD | O-RING | DIMENSIONS | ||||||
| E | F | G | F | A | B | C | S1 | S2 | |
| AJGJ-04-02-04OG | 7/16″X20 | G1/8″X28 | 7/16″X20 | 11 | 24.5 | 26.2 | 24.5 | 11 | 14 |
| AJGJ-04OG | 7/16″X20 | G1/4″X19 | 7/16″X20 | 111 | 26.6 | 31.8 | 26.6 | 14 | 19 |
| AJGJ-05-02-05OG | 1/2″X20 | G1/8″X28 | 1/2″X20 | 11 | 26.6 | 29 | 26.6 | 14 | 14 |
| AJGJ-05-04-05OG | 1/2″X20 | G1/4″X19 | 1/2″X20 | 111 | 26.6 | 31.8 | 26.6 | 14 | 19 |
| AJGJ-06-04-06OG | 9/16″X18 | G1/4″X19 | 9/16″X18 | 111 | 27 | 31 | 27 | 14 | 19 |
| AJGJ-060G | 9/16″X18 | G3/8″X19 | 9/16″X18 | 113 | 28.5 | 35.8 | 28.5 | 16 | 22 |
| AJGJ-08-06-08OG | 3/4″X16 | G3/8″X19 | 3/4″X16 | 113 | 32 | 36.8 | 32 | 19 | 22 |
| AJGJ-08OG | 3/4″X16 | G1/2″X14 | 3/4″X16 | 115 | 35 | 43.2 | 35 | 22 | 27 |
| AJGJ-10-08-100G | 7/8″X14 | G1/2″X14 | 7/8″X14 | 115 | 37.8 | 43.5 | 37.8 | 22 | 27 |
| AJGJ-120G | 1.1/16″X12 | G3/4″X14 | 1.1/16″X12 | 119 | 44.2 | 51 | 44.2 | 27 | 32 |
| AJGJ-160G | 1.5/16″X12 | G1″X11 | 1.5/16″X12 | 217 | 48.8 | 53 | 48.8 | 33 | 41 |


