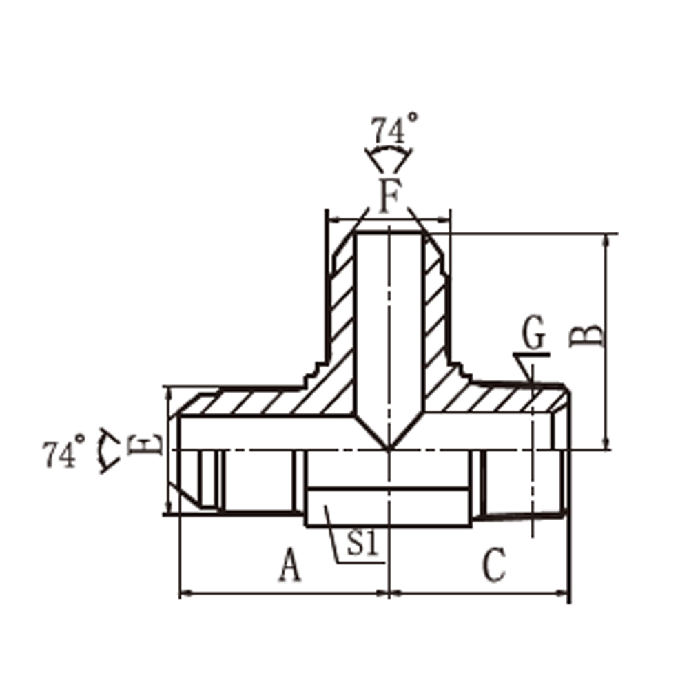
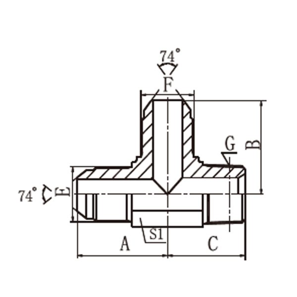
JIC hydraulic adapters feature a 37-degree flare connection system based on the SAE J514 standard. This metal-to-metal seal provides a reliable and leak-free connection suitable for various hydraulic applications. Topol Power manufactures a comprehensive range of precision metric adapters to accommodate diverse hydraulic configuration requirements.
| PART NO. | THREAD | DIMENSIONS | |||||
| E | F | G | A | B | C | S1 | |
| AJJN-04 | 7/16″X20 | 7/16″X20 | Z1/4″X18 | 26.6 | 26.6 | 25.5 | 14 |
| AJJN-04-04-02 | 7/16″X20 | 7/16″X20 | Z1/8″X27 | 24.5 | 24.5 | 21 | 11 |
| AJJN-05-05-02 | 1/2″X20 | 1/2″X20 | Z1/8″X27 | 26.6 | 26.6 | 23.5 | 14 |
| AJJN-06 | 9/16″X18 | 9/16″X18 | Z3/8″X18 | 30 | 30 | 31 | 19 |
| AJJN-06-04-06 | 9/16″X18 | 7/16″X20 | Z3/8″X18 | 26.9 | 25.5 | 26.9 | 14 |
| AJJN-06-06-04 | 9/16″X18 | 9/16″X18 | Z1/4″X18 | 26.9 | 26.9 | 25.5 | 14 |
| AJJN-08 | 3/4″X16 | 3/4″X16 | Z1/2″X14 | 34.8 | 34.8 | 36.7 | 22 |
| AJJN-08-08-06 | 3/4″X16 | 3/4″X16 | Z3/8″X18 | 32 | 32 | 31 | 19 |
| AJJN-10-10-08 | 7/8″X14 | 7/8″X14 | Z1/2″X14 | 37.8 | 37.8 | 36.7 | 22 |
| AJJN-10-10-12 | 7/8″X14 | 7/8″X14 | Z3/4″X14 | 41 | 41 | 44 | 27 |
| AJJN-12 | 1.1/16″X12 | 1.1/16″X12 | Z3/4″X14 | 44.2 | 44.2 | 44 | 27 |
| AJJN-16 | 1.5/16″X12 | 1.5/16″X12 | Z1″X11.5 | 49 | 49 | 50 | 33 |
| AJJN-20 | 1.5/8″X12 | 1.5/8″X12 | Z1.1/4″X11.5 | 55.5 | 55.5 | 54.5 | 41 |
| AJJN-24 | 1.7/8″X12 | 1.7/8″X12 | Z1.1/2″X11.5 | 62.5 | 62.5 | 63 | 48 |


