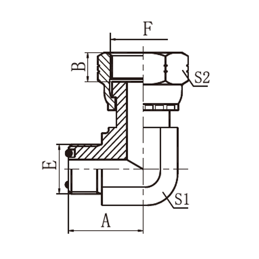
O-Ring Face Seal adapter [ORFS] fittings use a straight thread with a machined groove in the face of the male fitting to accept an O-Ring. Combined with a female fitting, this creates a leak-proof seal. Topol Power manufactures a comprehensive range of precision dapters to accommodate diverse hydraulic configuration requirements.
| PART NO. | THREAD | O-RING | DIMENSIONS | ||||
| E | F | A | B | S1 | S2 | ||
| 2F9-04 | 9/16″X18 | 9/16″X18 | O011 | 23 | 7.5 | 14 | 19 |
| 2F9-04-06 | 9/16″X18 | 11/16″X16 | 0011 | 23 | 9.5 | 14 | 22 |
| 2F9-06-04 | 11/16″X16 | 9/16″X18 | O012 | 27.5 | 7.5 | 19 | 19 |
| 2F9-06 | 11/16″X16 | 11/16″X16 | O012 | 27.5 | 9.5 | 19 | 22 |
| 2F9-06-08 | 11/16″X16 | 13/16″X16 | O012 | 27 | 11.5 | 19 | 27 |
| 2F9-08-06 | 13/16″X16 | 11/16″X16 | O014 | 31 | 9.5 | 22 | 22 |
| 2F9-08 | 13/16″X16 | 13/16″X16 | O014 | 31 | 11.5 | 22 | 27 |
| 2F9-10-08 | 1″X14 | 13/16″X16 | O016 | 36.5 | 11.5 | 27 | 27 |
| 2F9-10 | 1″X14 | 1″X14 | O016 | 36.5 | 12.5 | 27 | 32 |
| 2F9-10-12 | 1″X14 | 1.3/16″X12 | O016 | 36.5 | 13 | 27 | 36 |
| 2F9-12 | 1.3/16″X12 | 1.3/16″X12 | O018 | 41 | 13 | 30 | 36 |
| 2F9-12-16 | 1.3/16″X12 | 1.7/16″X12 | O018 | 42.5 | 14 | 33 | 41 |
| 2F9-16-12 | 1.7/16″X12 | 1.3/16″X12 | O021 | 44.5 | 13 | 36 | 36 |
| 2F9-16 | 1.7/16″X12 | 1.7/16″X12 | 0021 | 44.5 | 14 | 36 | 41 |
| 2F9-20 | 1.11/16″X12 | 1.11/16″X12 | O025 | 47.5 | 15 | 41 | 50 |
| 2F9-24 | 2″X12 | 2″X12 | O029 | 53.5 | 17 | 50 | 60 |


