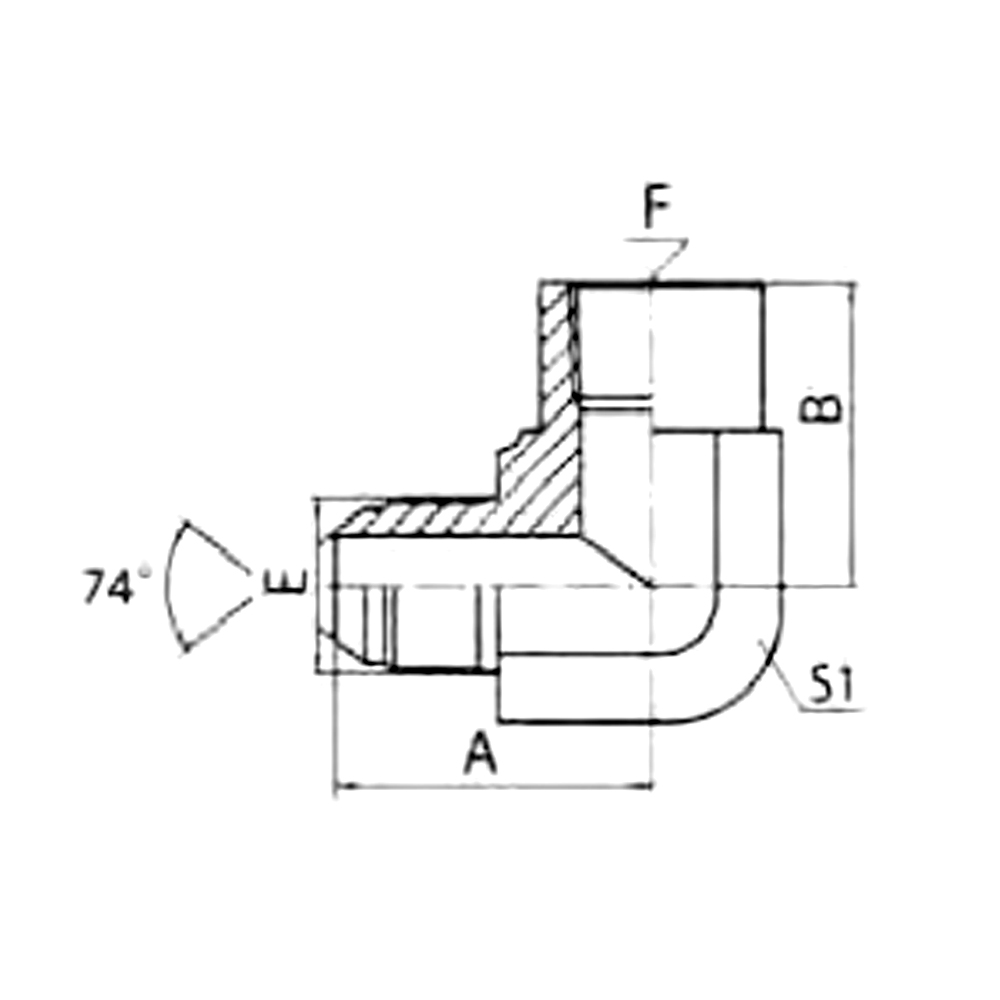
JIC hydraulic adapters feature a 37-degree flare connection system based on the SAE J514 standard. This metal-to-metal seal provides a reliable and leak-free connection suitable for various hydraulic applications. Topol Power manufactures a comprehensive range of precision metric adapters to accommodate diverse hydraulic configuration requirements.
| PART NO. | THREAD | DIMENSIONS | |||
| E | F | A | B | S1 | |
| 5JN9-04-02 | 7/16″X20 | Z1/8″X27 | 27.5 | 16.8 | 16 |
| 5JN9-04 | 7/16″X20 | Z1/4″X18 | 30.9 | 22.4 | 19 |
| 5JN9-06-04 | 9/16″X18 | Z1/4″X18 | 31.2 | 22.4 | 19 |
| 5JN9-06 | 9/16″X18 | Z3/8″X18 | 33.5 | 25.9 | 24 |
| 5JN9-08-04 | 3/4″X16 | Z1/4″X18 | 31.6 | 22.4 | 19 |
| 5JN9-08 | 3/4″X16 | Z1/2″X14 | 39.5 | 31.2 | 30 |
| 5JN9-12-08 | 1.1/16″X12 | Z1/2″X14 | 46 | 31.2 | 30 |
| 5JN9-12 | 1.1/16″X12 | Z3/4″X14 | 48 | 34.5 | 33 |
| 5JN9-12-16 | 1.1/16″X12 | Z1″X11.5 | 52.5 | 41.1 | 41 |
| 5JN9-16-12 | 1.5/16″X12 | Z3/4″X14 | 49 | 34.5 | 33 |
| 5JN9-16 | 1.5/16″X12 | Z1″X11.5 | 55.1 | 41.1 | 41 |
| 5JN9-20 | 1.5/8″X12 | Z1.1/4″X11.5 | 59.2 | 43.2 | 48 |
| 5JN9-24 | 1.7/8″X12 | Z1.1/2″X11.5 | 73.4 | 52.8 | 63 |


